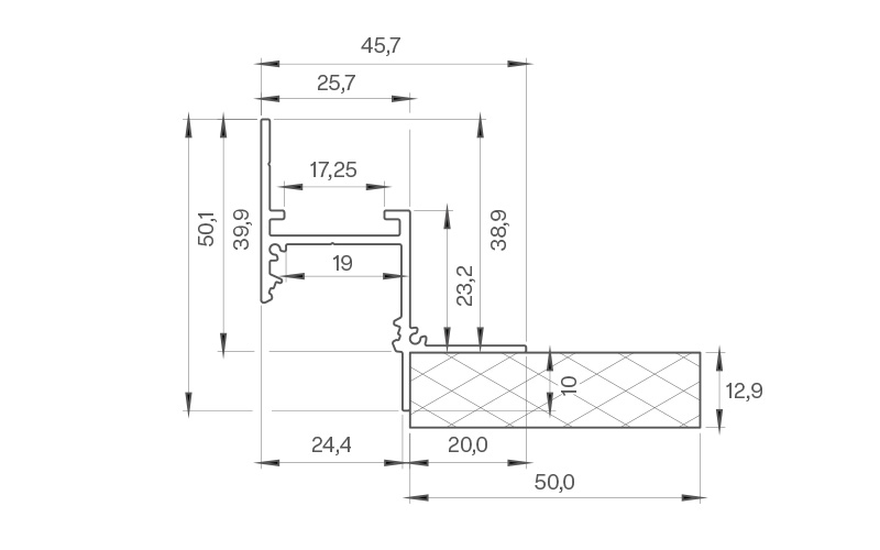
Profilo in alluminio accoppiato con cartongesso per installazione ad incasso con scomparsa totale.
Installato sul perimetro del locale, diffonde la luce in modo indiretto producendo un effetto uniforme.
La versione Aqua utilizza materiale repel
| Código | Descripción: |
|---|---|
| PRC099/200 | Profilo accoppiato raso cartongesso 20mm, con doppio diffusore opale |
| PRC099CD01 | Giunto angolare destro accoppiato al cartongesso |
| PRC099CS01 | Giunto angolare sinistro accoppiato al cartongesso |
| Terminar | Grado IP | |
|---|---|---|
| PRC099/200 | ZA | |
| PRC099CD01 | Grezzo | IP40 |
| PRC099CS01 | Grezzo | IP40 |
